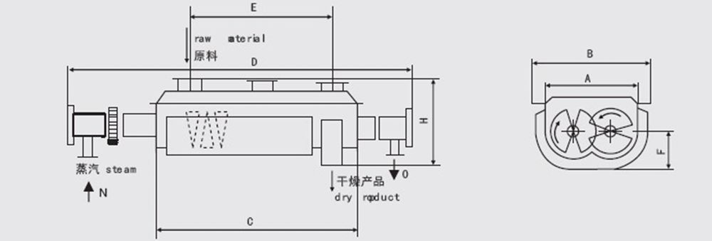
Product Overview :
Paddle dryer is a low-speed stirring dryer that is equipped with a stirring slurry inside the equipment, allowing wet materials to fully contact the heat carrier and hot surface under the stirring of the blades, thereby achieving the purpose of drying. The structural form is generally horizontal, double axis or four axis.
Product Introduction
This product can indirectly heat or cool paste, granular, powdered, and slurry materials, and can complete unit operations such as drying, cooling, heating, sterilization, reaction, and low-temperature combustion. The special wedge-shaped stirring heat transfer blade in the equipment has high heat transfer efficiency and self-cleaning function of the heat transfer surface.
Working principle
Wedge shaped hollow blades are densely arranged on the hollow shaft, and the heat medium flows through the blades through the hollow shaft. The heat transfer area within a unit effective volume is large, and the temperature of the heat medium ranges from -40 ℃ to 320 ℃. It can be steam or liquid, such as hot water, thermal oil, etc. Indirect conduction heating does not carry away heat with air, and the heat is used to heat the material. The heat loss is only the heat dissipation to the environment through the insulation layer of the device body. The wedge-shaped blade heat transfer surface has self-cleaning function. The relative motion between the material particles and the wedge-shaped surface produces a scrubbing effect, which can wash away the attached material on the wedge-shaped surface and maintain a clean heat transfer surface during operation. The shell of the blade dryer is Ω - shaped, and generally two to four hollow mixing shafts are arranged inside the shell. The shell has sealed end caps and upper caps to prevent material dust leakage and fully exert its function.
The heat transfer medium flows through the shell jacket and hollow stirring shaft through the rotary joint. The hollow stirring shaft has different internal structures according to the type of heat medium to ensure the heat transfer effect.

Performance characteristics
Low energy consumption of the blade dryer: Due to indirect heating, there is no large amount of air carried away to remove heat. The outer wall of the dryer is also equipped with an insulation layer. For slurry materials, only 1.2kg of water vapor is needed to evaporate 1kg of water.
The cost of the blade dryer system is low: it has a huge heat transfer surface per unit effective volume, which shortens processing time and reduces equipment size. This greatly reduces the building area and space.
◎ Wide range of material processing: Using different heat media, it can handle both thermosensitive materials and materials that require high-temperature treatment. Common media include steam, thermal oil, hot water, cooling water, etc. It can operate continuously or intermittently and can be applied in many fields.
Low environmental pollution: No use of portable air, minimal dust and material entrainment. The solvent evaporation of the material is very small, making it easy to handle. For materials that are contaminated or require solvent recovery, closed-loop circulation can be used.
Low operating costs: minimal wear and tear, low maintenance costs.
Stable operation: Due to the special compression expansion stirring effect of the wedge-shaped blade, the material particles are fully in contact with the heat transfer surface. In the axial range, the temperature, humidity, and mixing gradient of the material are very small, thereby ensuring the stability of the process.
Adapt to materials
The blade dryer has been successfully used in various fields such as food, chemical, petrochemical, dye, industrial sludge, coal slurry, domestic sludge, copper sludge, chemical sludge, etc. The characteristics of heat transfer, cooling, and stirring of the equipment enable it to perform the following unit operations: combustion (low temperature), cooling, drying (solvent recovery), heating (melting), reaction, and sterilization. The mixing blade is also a heat transfer surface, which increases the heat transfer area per unit effective volume and shortens the processing time. The wedge-shaped blade heat transfer surface also has self-cleaning function. The compression expansion mixing function ensures uniform mixing of materials. The material moves in a "piston flow" along the axial direction, and within the axial range, the temperature, humidity, and mixing gradient of the material are very small. Low temperature combustion can be achieved by using thermal oil as the heat medium in a blade dryer. For example, calcium sulfate dihydrate (Ca2SO4 · 2H2O) is burned and converted into calcium sulfate hemihydrate (Ca2SO4 · 1/22H2O). Sodium bicarbonate (NaHCO3) is converted into pure alkali (Na2HCO3) through calcination. Cooling media such as water, cooling salt water, etc. can be used for cooling. For example, the blade type cooling alkali machine used in the soda ash industry replaces the old-fashioned air-cooled cooling alkali machine, saving energy and exhaust gas treatment equipment, and reducing operating costs. Drying, the main function of the equipment, does not use hot air, making solvent recovery, energy consumption, and environmental control in an ideal state that is easy to handle. It is particularly suitable for solvents that need to be recycled, flammable and easily oxidizable heat sensitive materials. It has been widely used in the fine chemical, petrochemical, and dye industries. The uniformity of temperature, humidity, and mixing degree within the axial range allows the equipment to be used for heating or melting, or for some solid material reactions. It has been successfully used in the compound fertilizer and modified starch industries. A blade dryer can be used to sterilize food and flour. The large heating area within the effective volume of the unit quickly heats the material to the sterilization temperature, avoiding prolonged heating and changing the quality of the material.
The 26th IE Expo China 2025 has come to a successful conclus···
25.04.26The 2025 Chengdu International Environmental Protection Expo···
25.04.06Exhibition Information: April 21-23, 2025, IE Expo China 202···
25.03.28Exhibition Information: April 1-3, 2025, Chengdu Internation···
25.03.28Application field, operation and maintenance of spray dryer
25.01.18Working principle and performance characteristics of spray d···
25.01.18PLG2200 * 14 layer rubber additive disc continuous dryer is ···
24.05.27Drifting across the ocean, continuing the front line
24.04.08Restart, customization of ammonium sulfate drying production···
24.02.26